Abstract
Among the numerous types of architecture being explored for quantum computers are systems utilizing ion traps, in which quantum bits (qubits) are formed from the electronic states of trapped ions and coupled through the Coulomb interaction. Although the elementary requirements for quantum computation have been demonstrated in this system, there exist theoretical and technical obstacles to scaling up the approach to large numbers of qubits. Therefore, recent efforts have been concentrated on using quantum communication to link a number of small ion-trap quantum systems. Developing the array-based approach, we show how to achieve massively parallel gate operation in a large-scale quantum computer, based on techniques already demonstrated for manipulating small quantum registers. The use of decoherence-free subspaces significantly reduces decoherence during ion transport, and removes the requirement of clock synchronization between the interaction regions.
Main
A quantum computer is a device that prepares and manipulates quantum states in a controlled way, offering significant advantages over classical computers in tasks such as factoring large numbers1 and searching large databases2. The power of quantum computing derives from its scaling properties: as the size of these problems grows, the resources required to solve them grow in a manageable way. Hence a useful quantum computing technology must allow control of large quantum systems, composed of thousands or millions of qubits.
The first proposal for ion-trap quantum computation involved confining a string of ions in a single trap, using their electronic states as qubit logic levels, and transferring quantum information between ions through their mutual Coulomb interaction3. All the elementary requirements for quantum computation4—including efficient quantum state preparation5,6,7, manipulation7,8,9,10 and read-out7,11,12—have been demonstrated in this system. But manipulating a large number of ions in a single trap presents immense technical difficulties, and scaling arguments suggest that this scheme is limited to computations on tens of ions13,14,15. One way to escape this limitation involves quantum communication between a number of small ion-trap quantum registers. Recent proposals along these lines that use photon coupling16,17,18 and spin-dependent Coulomb interactions19 have not yet been tested in the laboratory. The scheme presented here, however, uses only quantum manipulation techniques that have already been individually experimentally demonstrated.
The quantum CCD
To build up a large-scale quantum computer, we have proposed a ‘quantum charge-coupled device’ (QCCD) architecture consisting of a large number of interconnected ion traps. By changing the operating voltages of these traps, we can confine a few ions in each trap or shuttle ions from trap to trap. In any particular trap, we can manipulate a few ions using the methods already demonstrated, while the connections between traps allow communication between sets of ions13. Because both the speed of quantum logic gates20 and the shuttling speed are limited by the trap strength, shuttling ions between memory and interaction regions should consume an acceptably small fraction of a clock cycle.
Figure 1 shows a diagram of the proposed device. Trapped ions storing quantum information are held in the memory region. To perform a logic gate, we move the relevant ions into an interaction region by applying appropriate voltages to the electrode segments. In the interaction region, the ions are held close together, enabling the Coulomb coupling necessary for entangling gates3,21. Lasers are focused through the interaction region to drive gates. We then move the ions again to prepare for the next operation.
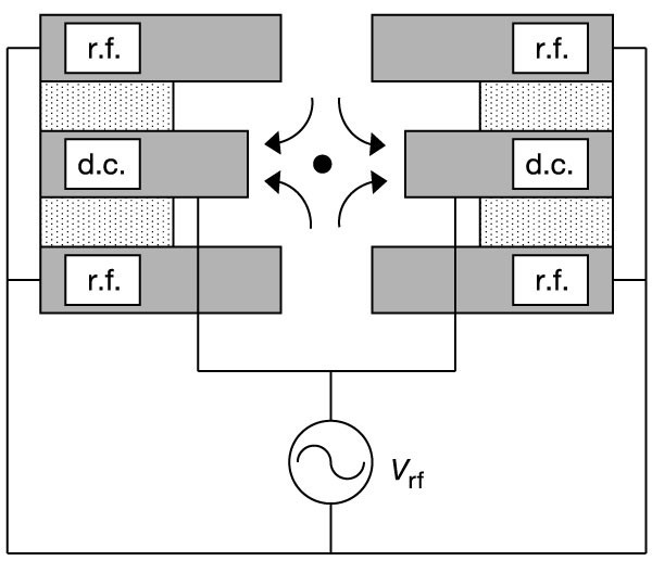
We can realize the trapping and transport potentials needed for the QCCD using a combination of radio-frequency (r.f.) and quasistatic electric fields. Figure 1 shows only the electrodes that support the quasistatic fields. By varying the voltages on these electrodes, we confine the ions in a particular region or transport them along the local trap axis, which lies along the thin arrows in Fig. 1. Two more layers of electrodes lie above and below the static electrodes, as shown in Fig. 2. Applying r.f. voltage to the outer layers creates a quadrupole field that confines the ions transverse to the local trap axis by means of the ponderomotive force22. This geometry allows stable transport of the ions around ‘T’ and ‘X’ junctions, so we can build complex, multiply connected trap structures.
Dotted regions indicate insulating spacers. Applying high r.f. voltage to the two outer electrode layers while keeping the inner layer at r.f. ground creates the r.f. quadrupole field shown by the arrows. This field provides trapping potentials for confinement transverse to the local trap axis, which points perpendicular to the page and is located at the central black dot. View in Fig. 1 is from the top of this figure.
Electrode structures for the QCCD are relatively easy to fabricate. A number of ion traps have been built by laser-machining slits in alumina wafers and evaporating gold electrodes onto the alumina23. These traps have geometries similar to that needed for the QCCD, and have spacings between the static and r.f. electrodes of fractions of a millimetre, allowing confinement frequencies up to 20 MHz for r.f. field frequencies of ∼250 MHz. Similar electrode structures are currently being constructed from heavily doped silicon using standard microfabrication techniques24. Here the silicon acts as the conductive electrode material, while glass spacers anodically bonded to the silicon insulate the r.f. electrodes from the static electrodes.
A first step towards a QCCD has been taken at the National Institute of Standards and Technology (NIST) by constructing a pair of interconnected ion traps; the individual traps are similar to those used in previous work23 and are separated by 1.2 mm. Efficient coherent transport of a qubit between the two traps was demonstrated by performing a Ramsey-type experiment involving the two traps, where no loss of contrast within the experimental error (∼0.6%) was observed25. Transport times were as short as ∼50 µs, with corresponding ion velocities greater than 10 m s-1 (see also ref. 26). The transport did not cause any heating of the ion motion or shortening of ion lifetime in the trap.
To maximize the clock speed of the QCCD, we need to transport ions quickly. However, the entangling gate demonstrated in previous work at NIST9,21 has low error only for ions cooled near the quantum ground state. To recool the ions after transport and to counteract the effects of heating23, we propose to use sympathetic cooling of the ions used for quantum logic by another ion species13,27,28. Confining both species in the interaction region lets us use the cooling species as a heat sink, with the Coulomb interaction transferring energy between the two species, as experimentally demonstrated in refs 29–31.
Decoherence
Whereas the decoherence and gate errors in single-trap quantum registers have already been characterized, additional decoherence can occur during ion transport. For instance, the energy splitting of the qubit states of an ion depends on the magnetic field at the ion through the Zeeman effect. During ion transport, the spatial variations of the magnetic field strength along the transport path cause the qubit states to acquire a path-dependent relative phase α, so that, for example, |↓〉 + |↑〉 → |↓〉 + eiα|↑〉 over transport. If we do not know α, we have lost the phase information, effectively dephasing the quantum state. But knowing α for all relevant paths is tantamount to characterizing the magnetic field on micrometre length scales across the entire device, a very difficult task.
Retaining phase information during a computation also requires accurate positioning of the ions in the interaction regions. As the logic gate parameters depend on the phase of the driving laser fields at the ion positions, the ion positions and laser path lengths must be controllable with accuracies much better than an optical wavelength. Although this does not place unreasonable constraints on the accuracy of the voltage sources driving the QCCD electrodes, stray electric fields emanating from the electrodes or mechanical vibration of the QCCD can readily move the ions a fraction of a wavelength from their nominal positions, effectively adding a relative phase α of the type considered above.
Decoherence-free encoding
We can reduce these sources of decoherence by several orders of magnitude by encoding each qubit into a decoherence-free subspace (DFS) of two ions32,33,34. This DFS is spanned by the states |0〉 = |↓↑〉, |1〉 = |↑↓〉 of the ions. We refer to the ions as ‘physical qubits’ and call the effective two-level system formed by |0〉, |1〉 a ‘logical qubit’. If the state |↑〉 of ion j acquires a phase αj over and above the predicted phase α0 for the transport path, we see

where we write Δα≡α2 - α1. If Δα = 0, we see that the DFS logical qubit is unaffected by the acquired phase. Here the phases αi are themselves unknown, but the ions acquire the same unknown phase, a process called collective dephasing. The logical qubit decoheres only insofar as the dephasing fails to be collective.
As an example, assume that the physical qubit energies have a linear dependence on magnetic field and that the field varies linearly over an extended QCCD device of size 10 cm. If each pair of physical qubits comprising a logical qubit is separated on average by 10 µm, a logical qubit dephases more slowly than a physical qubit by a factor of 104. Again, Stark shifts of the qubit levels can be induced by the electric fields that push the ions from place to place, but their dephasing effects on the logical qubits are also suppressed. In general, the effect of any external field varying over a length scale Lext and inducing energy shifts of pth power in the field is suppressed by a factor (Lext/d)p for DFS encoding. A DFS-encoded qubit is therefore robust against decoherence incurred during transport.
We can also perform universal quantum logic in the DFS, as we now show. If we hold two ions in an interaction region, we can use the entangling gate of refs 9 and 21 to apply the operator


where X, Y are the Pauli operators and the superscript ‘DFS’ indicates that the operator acts in the DFS logical basis. Though the individual phases φ1, φ2 depend sensitively on the path-length differences of the driving lasers over the macroscopic distance from the lasers to the ions13, the DFS gate phase Δφ12 = φ1 - φ2 depends only on the microscopic path length of the driving laser between the two ions, which can be readily controlled by small adjustments of the trap voltages9,12,24. The DFS encoding makes the computation insensitive to spatial phase fluctuations; as we will see, it protects against temporal phase fluctuations as well. We can set θ over a wide range of values21,24, so the two-ion entangling gate lets us perform arbitrary rotations of a single logical qubit. Using the same entangling gate on four ions, we can obtain the operator


where ions 1 and 2 encode one logical qubit and ions 3 and 4 encode another, and we write Δφ34 = φ3 - φ4. This operator is equivalent to an XOR in the logical basis up to rotations of single logical qubits35, so the operators of equations (2) and (5) suffice for universal quantum logic.
To use the DFS encoding in a large-scale quantum computation, we initialize the ions in pairs to the state |↓↑〉. Each pair of ions remains in the DFS through the quantum computation, so the logical qubits resist transport decoherence and all other types of collective dephasing. Read-out of the DFS qubit is straightforward, as we need only discriminate between |↓↑〉 and |↑↓〉. All the operators needed for universal quantum logic in the DFS have already been experimentally implemented9,24, so we should be able to use the DFS encoding in a large-scale quantum computer. Notably, all logic gate operations can be accomplished by uniformly illuminating the ions in the interaction region, removing the need for tightly focused laser beams.
Logic gate synchronization
The DFS encoding also removes the requirement of clock synchronization between logic gates, a major but little-recognized obstacle to large-scale parallel quantum computation. As the energy levels of our physical qubits are non-degenerate, we must keep track of the resulting phase accumulation to preserve the quantum information in the physical qubit basis34. Parallel operations taking place in many interaction regions thus require clocks that remain synchronized over the whole computation time36. Synchronization can become very difficult for many qubits: for a transition frequency ω0 between |↓〉 and |↑〉, the two components of the state |↓〉N + |↑〉N acquire a significant relative phase in a time ∼1/(Nω0). To maintain phase stability of the computation, we therefore require a frequency reference with fractional frequency stability much better than ≲1/(Nω0τ) at an averaging time τ equal to the duration of the quantum computation.
To be concrete, we consider trapped 40Ca+ ions as qubits, with the ground S1/2 state and metastable D5/2 states as logic levels. This system is being investigated for quantum computation by a number of groups7,15,37. Here the transition frequency is 412 THz, comparable to the 533 THz operating frequency of the currently most stable laser oscillator38, which has a fractional frequency instability of 3 × 10-16 as 1 s averaging time. If the computation takes about 1 s, equal to the lifetime of the metastable D5/2 state, we see that current technology barely provides the appropriate phase stability for even one ion. Of course, this argument can be regarded as too simplistic because the requirements on phase stability can be reduced by invoking error correction39; however, this comes at the cost of increased overhead18. For qubit levels with a transition frequency in the microwave regime, local oscillators of the required phase stability exist, but the optical path lengths between the driving lasers and each of the interaction regions must be stable at the nanometre level over the course of the computation13, a daunting task for a 10 cm QCCD device.
On the other hand, as the logic levels of a DFS-encoded qubit are degenerate, we do not need phase synchronization at all to perform a logic operation within the DFS. Operations in the DFS are also independent of the optical path lengths of the driving lasers, because the phases Δφ12, Δφ34 in equations (2) and (5) depend only on the distance between the two ions comprising a logical qubit. The universal gate-set constructed above allows us to perform highly parallel computations in the DFS without synchronization between gates separated in time or space. Similar considerations would apply to other quantum computing architectures.
References
Shor, P. W. in Proc. 35th Annu. Symp. on the Foundations of Computer Science (ed. Goldwasser, S.) 124–134 (IEEE Computer Society, Los Alamitos, 1994)
Grover, L. K. Quantum mechanics helps in searching for a needle in a haystack. Phys. Rev. Lett. 79, 325–328 (1997)
Cirac, J. I. & Zoller, P. Quantum computations with cold trapped ions. Phys. Rev. Lett. 74, 4091–4094 (1995)
DiVincenzo, D. P. in Scalable Quantum Computers (eds Braunstein, S. L. & Lo, H. K.) 1–14 (Wiley-VCH, Berlin, 2001)
Monroe, C. et al. Resolved-sideband Raman cooling of a bound atom to the 3D zero-point energy. Phys. Rev. Lett. 75, 4011–4014 (1995)
King, B. E. et al. Cooling the collective motion of trapped ions to initialize a quantum register. Phys. Rev. Lett. 81, 1525–1528 (1998)
Roos, C. et al. Quantum state engineering on an optical transition and decoherence in a Paul trap. Phys. Rev. Lett. 83, 4713–4716 (1999)
Monroe, C., Meekhof, D. M., King, B. E., Itano, W. M. & Wineland, D. J. Demonstration of a fundamental quantum logic gate. Phys. Rev. Lett. 75, 4714–4717 (1995)
Sackett, C. A. et al. Experimental entanglement of four particles. Nature 404, 256–259 (2000)
Nägerl, H. C. et al. Laser addressing of individual ions in a linear ion trap. Phys. Rev. A 60, 145–148 (1999)
Blatt, R. & Zoller, P. Quantum jumps in atomic systems. Eur. J. Phys. 9, 250–256 (1988)
Rowe, M. A. et al. Experimental violation of a Bell's inequality with efficient detection. Nature 409, 791–794 (2001)
Wineland, D. J. et al. Experimental issues in coherent quantum-state manipulation of trapped atomic ions. J. Res. NIST 103, 259–328 (1998)
Hughes, R. J., James, D. F. V., Knill, E. H., Laflamme, R. & Petschek, A. G. Decoherence bounds on quantum computation with trapped ions. Phys. Rev. Lett. 77, 3240–3243 (1996)
Enzer, D. G. et al. in Experimental Implementation of Quantum Computation '01 (ed. Clark, R.) (Rinton, Princeton, 2001)
Pellizzari, T., Gardiner, S. A., Cirac, J. I. & Zoller, P. Decoherence, continuous observation, and quantum computing: A cavity QED model. Phys. Rev. Lett. 75, 3788–3791 (1995)
DeVoe, R. G. Elliptical ion traps and trap arrays for quantum computation. Phys. Rev. A 58, 910–914 (1998)
Steane, A. M. & Lucas, D. M. Quantum computing with trapped ions, atoms and light. Fortsch. Phys. 48, 839–858 (2000)
Cirac, J. I. & Zoller, P. A scalable quantum computer with ions in an array of microtraps. Nature 404, 579–581 (2000)
Steane, A. et al. Speed of ion-trap quantum-information processors. Phys. Rev. A 62, 042305 (2000)
Sørensen, A. & Mølmer, K. Entanglement and quantum computation with ions in thermal motion. Phys. Rev. A 62, 022311 (2000)
Paul, W. Electromagnetic traps for charged and neutral particles. Rev. Mod. Phys. 62, 531–540 (1990)
Turchette, Q. A. et al. Heating of trapped ions from the quantum ground state. Phys. Rev. A 61, 063418 (2000)
Kielpinski, D. . Entanglement and Decoherence in a Trapped-ion Quantum Register. Thesis, Univ. Colorado (2001); available at 〈http://www.boulder.nist.gov/timefreq/ion/qucomp/papers.htm〉
Rowe, M. A. et al. Transport of quantum states and separation of ions in a dual RF ion trap. Preprint quant-ph/0205094 at 〈http://xxx.lanl.gov〉 (2002).
Guthöhrlein, G. R., Keller, M., Hayasaka, K., Lange, W. & Walther, H. A single ion as a nanoscopic probe of an optical field. Nature 414, 49–51 (2001)
Kielpinski, D. et al. Sympathetic cooling of trapped ions for quantum logic. Phys. Rev. A 61, 032310 (2000)
Morigi, G. & Walther, H. Two-species Coulomb chains for quantum information. Eur. Phys. J. D 13, 261–269 (2001)
Larson, D. J., Bergquist, J. C., Bollinger, J. J., Itano, W. M. & Wineland, D. J. Sympathetic cooling of trapped ions: A laser-cooled two-species nonneutral ion plasma. Phys. Rev. Lett. 57, 70–73 (1986)
Rohde, H. et al. Sympathetic ground-state cooling and coherent manipulation with two-ion crystals. J. Opt. B 3, S34–S41 (2001)
Blinov, B. B. et al. Sympathetic cooling of trapped Cd+ isotopes. Preprint quant-ph/0112084 at 〈http://xxx.lanl.gov〉 (2001).
Lidar, D. A., Chuang, I. L. & Whaley, K. B. Decoherence-free subspaces for quantum computation. Phys. Rev. Lett. 81, 2594–2597 (1998)
Duan, L. M. & Guo, G. C. Reducing decoherence in quantum-computer memory with all quantum bits coupling to the same environment. Phys. Rev. A 57, 737–741 (1998)
Kielpinski, D. et al. A decoherence-free quantum memory using trapped ions. Science 291, 1013–1015 (2001)
Sørensen, A. & Mølmer, K. Quantum computation with ions in thermal motion. Phys. Rev. Lett. 82, 1971–1974 (1999)
van Enk, S. J. The physical meaning of phase and its importance for quantum teleportation. J. Mod. Opt. 48, 2049–2054 (2001)
Steane, A. The ion-trap quantum information processor. Appl. Phys. B 64, 623–643 (1997)
Young, B. C., Cruz, F. C., Itano, W. M. & Bergquist, J. C. Visible lasers with subhertz linewidths. Phys. Rev. Lett. 82, 3799–3802 (1999)
Nielsen, M. A. & Chuang, I. L. Quantum Computation and Quantum Information 425–493 (Cambridge Univ. Press, Cambridge, 2000)
Acknowledgements
We acknowledge the experimental contributions of the NIST Ion Storage group, and also J. Beall for assistance with microfabrication. We thank D. Leibfried and M.A. Rowe for comments on the manuscript. D.K. and D.J.W. were supported by the US National Security Agency (NSA), Advanced Research and Development Activity (ARDA) and the Office of Naval Research. C.M. was supported by the US NSA, ARDA and the National Science Foundation ITR programme.
Author information
Affiliations
Corresponding author
Rights and permissions
About this article
Cite this article
Kielpinski, D., Monroe, C. & Wineland, D. Architecture for a large-scale ion-trap quantum computer. Nature 417, 709–711 (2002). https://doi.org/10.1038/nature00784
Issue Date:
DOI: https://doi.org/10.1038/nature00784
Further reading
-
High-speed programmable photonic circuits in a cryogenically compatible, visible–near-infrared 200 mm CMOS architecture
Nature Photonics (2022)
-
High-fidelity laser-free universal control of trapped ion qubits
Nature (2021)
-
Quantum computer based on shuttling trapped ions
Nature (2021)
-
Single ion qubit with estimated coherence time exceeding one hour
Nature Communications (2021)
-
Fault-tolerant control of an error-corrected qubit
Nature (2021)
Comments
By submitting a comment you agree to abide by our Terms and Community Guidelines. If you find something abusive or that does not comply with our terms or guidelines please flag it as inappropriate.

